Eye Foundry Hook

The Eye Foundry Hook is a heavy‑duty lifting accessory designed for secure attachment in hoisting and rigging applications. Featuring a forged eye at the top, it allows easy connection to chains, slings, or master links, while the wide throat opening provides quick engagement with loads. Manufactured from high‑grade alloy steel, the hook offers superior strength, durability, and resistance to wear. Its robust design ensures safe load handling in industrial, construction, and marine environments.

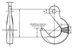
Eye Foundry Hook Tech DrawingKey Features:

  • Forged eye for secure attachment to chains, slings, or links
  • Wide throat opening for easy load engagement
  • Heavy‑duty alloy steel construction for strength and durability
  • Corrosion‑resistant finish for extended service life
  • Suitable for lifting, hoisting, and rigging applications

The Eye Foundry Hook combines strength, safety, and convenience, making it a trusted choice for professionals handling heavy‑duty lifting tasks.

Detailed technical parameters and standards for Eye Foundry Hook are listed below for your reference.

G80 Large Opening Eye Hook

Item No Weight/Kg WLL/T B.L/T Φ mm B mm E mm L mm
3.2T 0.84 3.2 12.8 31 36 60 173.5
3.8T 1.17 3.8 15.2 31 36 79 199
5.4T 2.5 5.4 21.6 40 40 88 241
8.2T 4.6 8.2 32.8 49 49 99 282
12.5T 6.3 12.5 50 63 66 110 325
Shopping Cart
Eye Foundry Hook G80Eye Foundry Hook